联系我们
公司名称:海利晟(天津)科技股份有限公司
手机:王经理 18502638783
电话:022-84815321
传真:022-84957988转808
地址:天津市南开区长江道融侨中心23层
新闻资讯
您的当前位置:网站首页 > 新闻资讯
精馏设备设计
时间:2020-08-04 点击次数:671
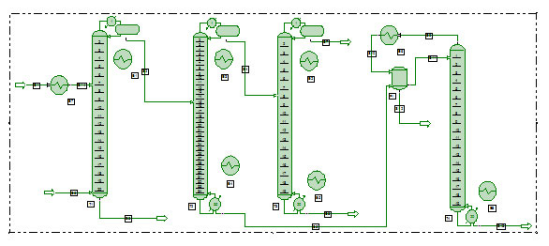
我们先进的精馏技术、丰富的工程经验、 模拟设计,可以保证您的项目投资大幅度减少,精馏生产成本大幅度降低,将您的投资风险降低为零。我们为您提供的精馏技术“一条龙”服务主要内容:
一、依据您的精馏目标,进行针对性模拟计算设计
我们广泛使用先进的工艺软件如:AspenPlus、Pro/Ⅱ、Hysis Distill和HysisProcess、Chemcad等化工过程模拟软件和Fluent等流体力学软件,计算、优化设计。
采用AspenPlus和Pro/Ⅱ软件,对每个精馏项目进行流程模拟计算,设计出简捷、合理、先进的工艺流程。采用Fluent软件,进行复杂形状的流层、湍流、多相流等流体力学过程的模拟计算,对塔器、冷凝器、再沸器等主要精馏设备进行精算选型。
二、依据计算结果,提供仪表管线及精馏工艺流程图
三、依据您的加工能力,提供精馏设备竣工图或加工条件图。
四、依据您的厂区状况,提供精馏设备平面和立面布置示意图。
五、依据您的工艺实际,提供以精馏塔安全操作规程、设备一览表、控制原理图等为主的软件包。
六、依据您的安装进程,派技术人员赴贵方现场指导安装、调试、开车,保证精馏产品合格。
七、依据您的企业发展,就合同装置提供实时精馏技术服务。
